お客様ご相談窓口
(0533) 72-2131
日本語
English
Toggle navigation
歯車製品
NAGATAの歯車
歯面研削
設備紹介
工作機械
歯車歯面研削盤
ホブ盤
ギヤシェーパ
歯車面取盤
内面研削盤
円筒研削盤
熱処理設備
測定機器
歯車試験機
噛み合い試験機
硬度測定器
三次元測定機
粗さ試験機
形状測定機
真円度円筒形状測定機
作業工程
作業工程
歯切加工
材料
施盤
シェービング
浸炭焼き入れ
研削加工
ハードターニング
歯面研削
会社案内
代表挨拶
会社概要
NAGATAの沿革と特徴
一般事業主行動計画
品質環境方針
サポート
歯車発注の流れ
納入について
見積りについて
歯車の種類
歯車の用途
よくある質問
採用情報
お問合せ
日本語
English
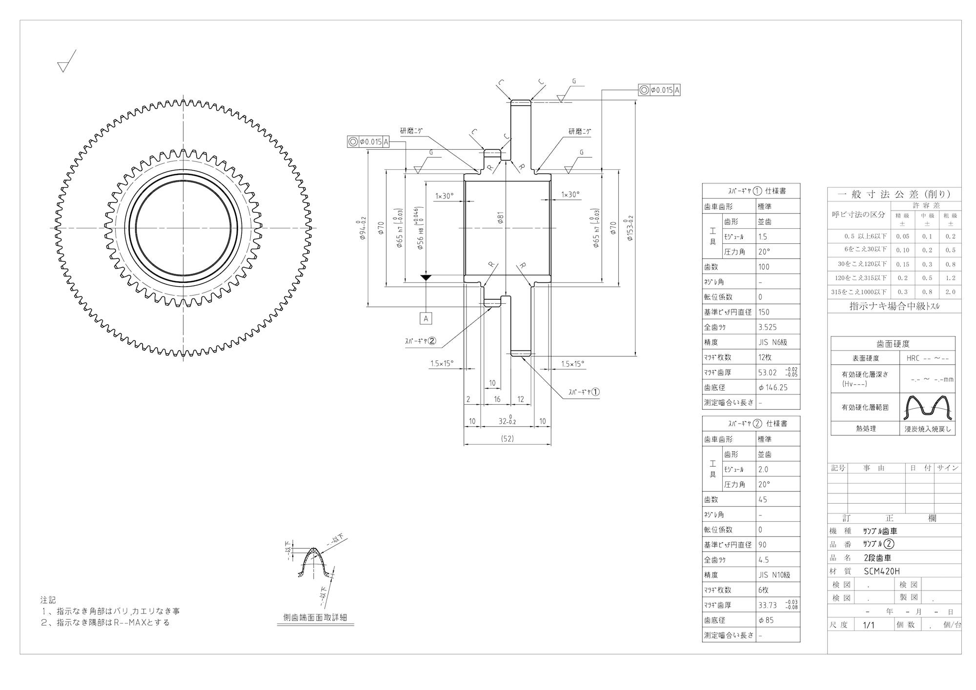
2段歯車
2段歯車
使用設備
歯切加工ーホブ盤
歯研加工ー歯車歯面研削盤
歯切ーギアシェーパー
歯車概要
サイズ
-φ 250 , m 0.5-6.0
特徴
2段歯車は平歯車が2つ重なった歯車です。
2段歯車は平歯車と比較して、強度を上げることが出来るため減速機構等に用いられています。
永田では、ギアシェーパーを多数保有しており、高精度で多品種の2段歯車を製作しています。
その他の歯車の種類
平歯車
軸付き歯車